|
氣動高真空蝶閥概述: GIQ氣動高真空蝶閥是指工作壓力低于標準大氣壓,形成一定真空的閥門,是真空系統中用來調節氣流量、切斷和接通管路的元件,一般用于控*空氣和非腐蝕性氣體。氣動真空蝶閥的閥板采用夾緊結構,把閥板的密封圈夾緊,泄露量為零,除了能用在真空狀態下,也能在低壓狀態下使用。氣動真空蝶閥以壓縮空氣為動力,帶動碟板旋轉來作啟閉運動,從而達到對管路氣流的接通或切斷,分為雙作用和單作用,單作用具有彈簧復位的作用,可在故障時自動復位。
氣動高真空蝶閥特點: 1、軸承采用自潤滑軸承,摩擦阻力小。 2、不必從管路上拆卸閥門即可更換蝶板密封圈。 3、該閥能對介質雙向截止,實現可靠的密封,雙向零泄漏。 4、軸封采用具有自動補償的特殊結構,隔斷外界大氣與管道的連通,從而保證管道的真空度。 氣動高真空蝶閥技術參數:
氣動高真空蝶閥執行機構:
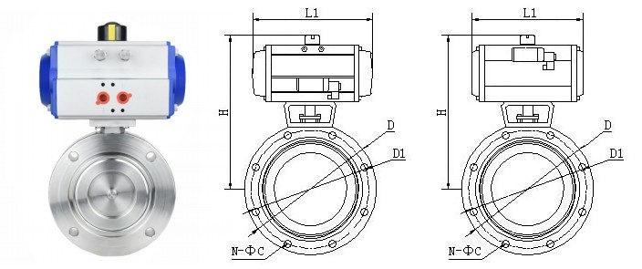
氣動高真空蝶閥連接尺寸:
|
|||||||||||||||||||||||||||||||||||||||||||||||||||||||||||||||||||||||||||||||||||||||||||||||
-
軸封采用具有自動補償的特殊結構,隔斷外界大氣與管道的連通,從而保證管道的真空度。
-
該閥能對介質雙向截止,實現可靠的密封,雙向零泄漏。
-
具有體積小,重量輕,性能可靠,配套簡單,流通能力大。
-
氣動蝶閥啟閉方便迅速、省力、流體阻力小,可以經常操作。
-
真空系統,空氣及非腐蝕性氣體。
-
根據用戶提供的流量、壓力提供選型規格書及控制方案圖。


