|
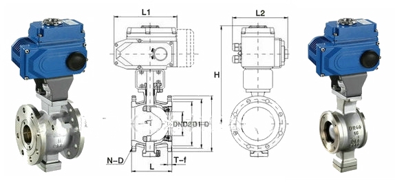
電動V型球閥概述: 電動V型球閥是一種球芯為V型結構的高性能V型調節閥,它的V型開口可與閥座流道形成各種不同的V型角度,實現對管路介質各項參數的比例式精準調節。電動V型調節球閥關閉時,V型切口能夠輕松切斷管道內的各種紙漿或纖維等粘稠介質,有效保證管路的流通,又能防止球閥球芯卡死的現象。電動V型球閥調節流量有近似等百分比或者線性的流量特性,V型口角度可定制,滿足更精*的截斷特性和控制功能。 電動V型球閥優點: 1、電動V型球閥的V型缺口球芯與金屬閥座之間具有***佳的剪切功能,特別適用于含纖維質流體、微小固體顆粒、料漿類流體等介質的工業管道中做自控調節和切斷控制。 2、電動V型調節閥可調范圍較廣,有近似等百分比或者線性的流量特性,還具有可靠的定位能力。 3、電動V型調節球閥特有的V型閥芯結構改善了傳統球閥的控制性問題,使介質流量通過V型閥芯開口之間的開度得到了更精密的控制。 電動V型調節閥技術參數:
電動V型球閥流道的截面形狀及流量特性示意圖:
|
-
結構緊湊,體積小,可豎臥安裝等優點。
-
V型球閥采用雙軸承結構,機械穩定性能高,啟動扭矩小,保證了閥門具有***好的靈敏度和感應速度。
-
特別適用于含纖維質流體、微小固體顆粒、料漿類流體等介質的工業管道中做自控調節和切斷控制。
-
球閥結構緊湊,采用聚四氟乙烯等材料制作的密封圈密封性能好。
-
體積小、輕便、性能可靠、配套簡單、流通能力大等優點。
-
根據用戶提供的流量、壓力提供選型規格書及控制方案圖。



