|
電動保溫球閥概述: 電動保溫球閥一般用于夾套內走加熱/伴熱介質的場合,防止物料結晶堵塞管道,特別是一些不經常開關,物料流動性不是很好的地方。電動保溫球閥根據使用工況不同,夾套可以是冷凝水,用于因為過熱而析出晶體,也可以用熱水、蒸汽和導熱油等做伴熱用,其具有良好的保溫保冷特性,常用于輸送常溫下會凝固的高粘度介質。 電動保溫球閥應用: 電動保溫球閥主要由帶夾套球閥與(開關型、調節型)電動執行機構組成, 用在需要保持一定溫度,或者介質冷卻容易堵塞閥門,伴熱保溫。 比如液流的保溫要求在135-145度,低于指標液流會凍結,如果閥門不用蒸汽夾套的話,會造成閥門無法操作。 電動保溫球閥參數:
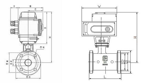
電動保溫球閥結構圖:
電動保溫球閥可選功能:
|
-
具有良好的保溫、保冷特性
-
操作方便,開閉迅速,從全開到全關只要旋轉90°,便于遠距離的控制。
-
適用范圍:城建、化工、冶金、石油、制藥、食品、飲料、環保。
-
結構簡單、體積小、重量輕。
-
夾套采用碳素鋼管焊接比鑄造的更加耐壓牢固。
-
根據用戶提供的流量、壓力提供選型規格書及控制方案圖。


